- Описание
- Характеристики
- Вопросы
- Отзывы (1)
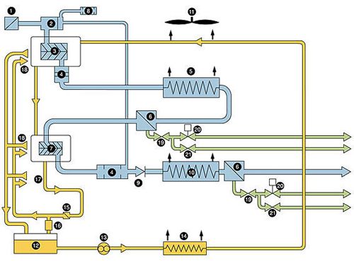
Винтовой безмасляный компрессор сухого сжатия CompAir D75-08A серии Dryclon, при мощности двигателя 75 кВт достигает производительности 12910 л/мин. Рабочее давление 8 атмосфер обеспечивает стабильное и чистое сжатие, идеально подходящее для применения в различных областях, где чистота воздуха играет ключевую роль.
Сделано в Германии
В компрессорах серии Dryclon масло используется только для смазки подшипников и редуктора, т.е. контакт сжимаемого воздуха с маслом полностью отсутствует.
Двухступенчатая фильтрация воздуха на входе в кожух компрессора и непосредственно на всасывании защищает винтовой блок от попадания частиц пыли. Воздух в компрессоре последовательно сжимается двумя винтовыми блоками с промежуточным охлаждением.
Компрессоры скомпонованы для удобного обслуживания: все точки сервисного обслуживания сгруппированы в одной зоне, упрощен доступ к очистке системы охлаждения, стандартный межсервисный период 8000 часов, специальный сливной масляный насос помогает менять масло быстро и эффективно.
Компрессоры серии имеют исполнения с переменной и постоянной производительностью, воздушным или водяным охлаждением, могут быть оснащены системой рекуперации тепла.
Москва
Уважаемые клиенты! Мы являемся официальными дистрибьюторами продукции COMPAIR на территории России. Вы можете задать вопрос специалисту или оставить отзыв о товаре. Нам важно знать ваше мнение.
Показано
1 из 1 результатов




